餐飲行業手游資訊
公布的時間間隔:2019-12-23 14:15:24 手(shou)機瀏覽:2051
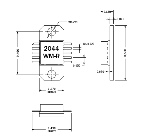
AM204437WM-EM-R是AMCOM的(de)砷化鎵MMIC功率放大器系列的(de)一部分。該變成設備有30分貝(bei)的增益和在2.2到4.2GHz頻帶上(shang)(shang)輸出37dBm的功(gong)率。該MMIC采用陶瓷(ci)封(feng)(feng)裝(zhuang)(zhuang),射(she)頻和直(zhi)流(liu)引(yin)線均位于(yu)較低(di)層(ceng)次的封(feng)(feng)裝(zhuang)(zhuang)便(bian)于(yu)低(di)成本的SMT組裝(zhuang)(zhuang)到PC板上(shang)(shang)。由于(yu)高直(zhi)流(liu)功(gong)耗,我(wo)們強烈建(jian)議將這些設備直(zhi)接安裝(zhuang)(zhuang)在金屬散熱器上(shang)(shang)。AM204437WM-FM-R是(shi)AM204437WM-BM-R安裝(zhuang)(zhuang)在鍍金銅(tong)法蘭(lan)托架上(shang)(shang)。EM包的占(zhan)用空(kong)間與FM包相同直(zhi)導線和銅(tong)/鎢法蘭(lan)代替銅(tong)法蘭(lan)。法蘭(lan)上(shang)(shang)有兩個(ge)螺孔以便(bian)于(yu)擰上(shang)(shang)金屬散熱器。這個(ge)MMIC是(shi)符合RoHS的。

AM204437WM-EM-R操作
無線數字(zi)智連網聯網
移(yi)動本(ben)機環路
交叉手(shou)機(ji)無線電
AM204437WM-EM-R至關重要參數值
次數:2-4.4GHz
增(zeng)益(yi)值(zhi):30
P1dB(DBM):36
PSAT(DBM):37
效應:25
VD(V):8
蘇(su)州市立(li)維創展科(ke)技信(xin)息是(shi)AMCOM品(pin)牌總批(pi)發(fa)商,其常見微波加熱寬帶網(wang)絡企業產品(pin)涵蓋頻(pin)射納米線管、MMIC工(gong)作工(gong)作功(gong)率變(bian)(bian)成器、相(xiang)溶變(bian)(bian)成器模快(kuai)、寬帶網(wang)變(bian)(bian)成器、高工(gong)作工(gong)作功(gong)率變(bian)(bian)成器模快(kuai)、帶RF和DC無線防水(shui)連接器(qi)的高工率調小器(qi)版塊(kuai)和低嘈音調小器(qi),工率調小器(qi),電開(kai)關,衰(shuai)減(jian)器(qi),移相器(qi)相應上/后面交流三菱變頻器的私人(ren)定制。