該行業動態新聞
分享時間間隔:2019-12-23 14:24:05 查看:1962
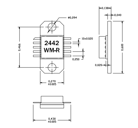
AM244236WM-EM-R是(shi)AMCOM的(de)(de)(de)砷化鎵MMIC功率放大器(qi)系列的(de)(de)(de)一部(bu)分。它有31分貝(bei)的(de)(de)(de)增益和在(zai)2.4到(dao)4.2GHz頻帶上輸(shu)出36dBm的(de)(de)(de)功率。這(zhe)(zhe)個(ge)MMIC是(shi)一個(ge)陶瓷封裝(zhuang),有射頻和直(zhi)(zhi)流(liu)引線(xian)在(zai)較低層次的(de)(de)(de)封裝(zhuang),以方便低成本的(de)(de)(de)SMT組裝(zhuang)到(dao)PC板。由(you)于高直(zhi)(zhi)流(liu)功耗(hao),我(wo)們建議(yi)將這(zhe)(zhe)些(xie)設備直(zhi)(zhi)接安裝(zhuang)在(zai)金屬散熱(re)器(qi)上。AM244236WM-FM-R是(shi)AM244236WM-BM-R安裝(zhuang)在(zai)鍍金銅(tong)(tong)法蘭(lan)托(tuo)架上。EM包與帶直(zhi)(zhi)管和銅(tong)(tong)/鎢法蘭(lan)而不是(shi)銅(tong)(tong)法蘭(lan)的(de)(de)(de)FM封裝(zhuang)。有兩個(ge)法蘭(lan)上的(de)(de)(de)螺孔(kong)便于擰到(dao)金屬散熱(re)器(qi)上。這(zhe)(zhe)個(ge)MMIC是(shi)符合(he)RoHS的(de)(de)(de)。

AM244236WM-EM-R適(shi)用
遠程互登陸網聯接
無限本(ben)土環路
正(zheng)向wlan電
AM244236WM-EM-R重要性指(zhi)標
頻(pin)帶寬度:2.4-4.2GHz
增益控(kong)制(zhi):31
P1dB(DBM):36
PSAT(DBM):36.5
的效率(lv):30
VD(V):8
杭州市立維創展新材料(liao)技術是AMCOM司(si)總批發商(shang),其注(zhu)意徽波(bo)帶(dai)寬食品涵蓋rf射(she)頻(pin)氯(lv)化鈉晶(jing)體(ti)管、MMIC工作效率(lv)拖(tuo)動(dong)器(qi)、混和拖(tuo)動(dong)器(qi)輸(shu)出引擎(qing)、寬帶(dai)網絡拖(tuo)動(dong)器(qi)、高工作效率(lv)拖(tuo)動(dong)器(qi)輸(shu)出引擎(qing)、帶(dai)RF和(he)DC無線聯接器(qi)的高(gao)公率拖動器(qi)方案和低噪音風機污染拖動器(qi),公率拖動器(qi),旋鈕,衰(shuai)減器(qi),移相器(qi)或上/下(xia)面定頻器(qi)的定制(zhi)開發(fa)。