HMC634LC4/HMC634LC4TR驅動器擴大器工業陶瓷表貼打包封裝 ADI現貨平臺
上架時光(guang):2018-06-29 11:34:17 查(cha)詢:1990
HMC634LC4是一個款GaAs PHEMT MMIC推動安裝調大器,運用無鉛4x4 mm陶瓷廠家表貼芯片封裝,操作中的規律範圍內為5至20 GHz。 該調大器具備達到了21 dB的收獲、+29 dBm效果的IP3及+22 dBm的效果的輸出(1 dB收獲壓縮視頻時),耗電為180 mA(+5V開關電源)。 HMC634LC4推動安裝調大器尤其時候操作中的規律範圍內為5至20 GHz的徽波移動電應用軟件,電阻值可偏置為+5V (130 mA)以具備較低收獲并調理PAE。 隔直調大器I/O自動自動匹配50 Ω,不要異常自動自動匹配零件。
|
品牌
|
型號
|
描述
|
貨期
|
庫存
|
|
ADI
|
HMC634LC4
HMC634LC4TR
|
驅動放大器,采用SMT封裝,5 - 20 GHz
|
現貨
|
251
|
app
-
點對點無線電
-
點對多點無線電和VSAT
-
混頻器LO驅動器
HMC634LC4優勢和特點
-
增益: 21 dB
-
P1dB: +22 dBm
-
飽和功率:
+23 dBm (17% PAE)
-
單電源電壓: +5V (180 mA)
-
50 Ω匹配輸入/輸出
-
24引腳4x4mm
SMT陶瓷封裝: 16mm2
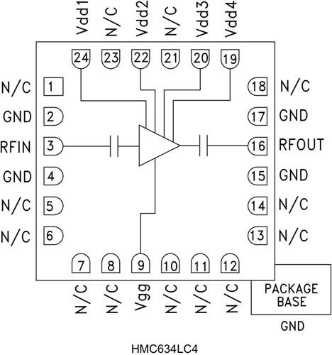
HMC634LC4結構圖
