業快訊
推送時(shi)候:2024-06-28 08:56:30 網頁瀏(liu)覽:5995
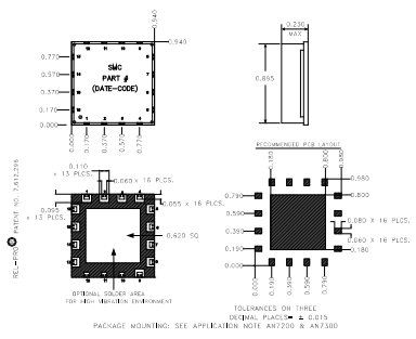
FCTS1000-100-5是Synergy出品的(de)一款低(di)噪(zao)聲(sheng)鎖(suo)相振蕩器(PLL Oscillator),專為需要高穩定(ding)(ding)性(xing)和(he)低(di)相位噪(zao)聲(sheng)的(de)無線(xian)通(tong)信、雷達(da)系統(tong)以(yi)及(ji)各類測試設備設計。該型(xing)號采用了先進(jin)的(de)PLL(相位鎖(suo)定(ding)(ding)環)技術,能(neng)(neng)夠(gou)提供(gong)固定(ding)(ding)頻率1000 MHz的(de)穩定(ding)(ding)輸出,同時具備優良的(de)相位噪(zao)聲(sheng)性(xing)能(neng)(neng)。

主要規格參數
幀率:固定住幀率1000 MHz。 考慮輸出平率:100 MHz。 參考資料輸進電阻值:兼容1.0至3.3 Vp-p的電阻值區域。電源電壓:
數據用電線路(+5V):為CMOS鎖相環和數據結構用電線路供應穩定的的主機電源。 調諧電路原理(+12V):使用調整諧振器的輸送幾率。 VCO電路原理(+5.5V):出示給壓控諧振器(VCO)的主機電源電阻。 打出輸出:不大數值為-3 dBm,做到了十分的信號燈效果。 雜散抑止:明顯臨界值80 dB,更好調低了不需用的工作頻率化學成分。 諧波減緩:關鍵指標值25 dB,削減了諧波信噪比對系統的影響。相位噪聲:
@ 100 Hz:典型示范值一般選擇-80 dBc/Hz。 @ 1 kHz:明顯參考值-115 dBc/Hz。 @ 10 kHz:典型性數值-141 dBc/Hz。 @ 100 kHz:典型案例指標值-158 dBc/Hz。 做工作溫區域:-20°C至+70°C, 保障了較寬的溫適用性。 表層搭配:帶來了仔細的引腳搭配相關信息,涉及阿拉伯數字電、分類鍵入、頻射輸送、自動隱藏監測等。成都 市立維創展高新科技是Synergy的生(sheng)產商(shang)商(shang),主要是出示Synergy微波射(she)頻(pin)壓控諧(xie)振器(qi)、結晶體(ti)諧(xie)振器(qi)、鎖相(xiang)(xiang)諧(xie)振器(qi)、鎖相(xiang)(xiang)環速(su)度生(sheng)成器(qi)、混頻(pin)器(qi)等產品,產品地屬國外北邊的之間(jian)管(guan)道,很快初始化失敗中國國客(ke)服(fu)的要。感謝聯系。