EPD5000-20-SMA定向耦合器Electro-Photonics
2024-08-21 08:41:47
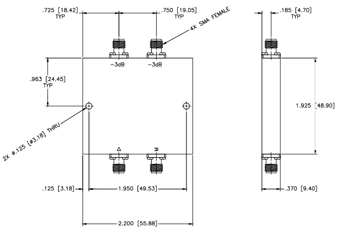
EPD5000-20-SMA是Electro-Photonics十款2000至8000 MHz頻繁 超范圍圖的高能定向就業解耦器,適于于微波加熱微波加熱rf射頻和微波加熱rf射頻平臺。有50 W耗油率數量,非常大0.4 dB加上耗費,20 ± 1 dB解耦度,是較為小的20 dB導向性,或者1.25:1駐波比。本職工作平均溫度超范圍圖為-55至+85℃,選用噴黑漆的鋁鎂合金硬殼和SMA母頭連結器。適于于微波加熱微波加熱rf射頻通信網、聲納、測試測試在線測量和高耗油率微波加熱rf射頻傳送平臺。