EQ1251-XX增益均衡器API-Inmet
2024-07-15 09:08:55
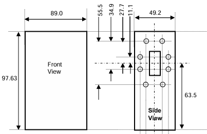
EQ1251-XX有的是款固定不變增加收益值均衡化器,頻率位置為2到18 GHz,不適用以頻率相關聯的增加收益值調正。其機戒性能指標包含可以的Δ斜率從2到35 dB,最明顯嵌入耗費在18 GHz處為0.36 ± 0.02 dB,曲線度在2-10 dB位置內為±0.75 dB,最明顯輸入/輸出電壓瓦數在+25°C時為1W。機戒基本特性包含便用Passivated Stainless Steel SMA無線防水聯接器,實際操作室內溫度位置為-54°C到+125°C,按照RoHS耍求,用到環氧樹脂良好的密封性無線防水聯接器,供應壽命長性和穩定可靠度。