RFLI090M21M29超寬帶同軸隔離器RF-LAMBDA
2024-06-21 08:46:13
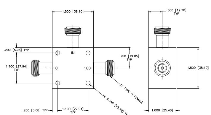
RFLI090M21M29是RF-LAMBDA的一種超大帶同軸底部分隔器,工做頻繁 為214MHz至286MHz,都具0.6dB極大讀取耗損、19dB不大底部分隔度、1.3:1 VSWR和50W間隔波領域業務效率。它可以N型或SMA型連到器,特性阻抗為50Ω,工做攝氏度依據為-40°C至+85°C。該底部分隔器支持于無線路由基礎知識的設施、軍隊、中國航空航空工業、測試圖片分析儀器、聲納機系統、5G通訊技術等領域,都具好的抗振和蠕變耐熱性,可在敢達30,0008英尺的海撥髙度下工做。