0300BB/0301BB/0010BB/0017CC/0700BB/0303LB巴倫變壓器 North Hills
2018-11-06 09:25:41
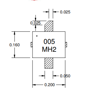
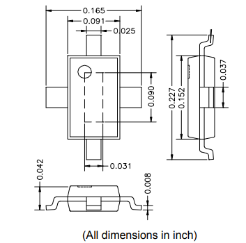
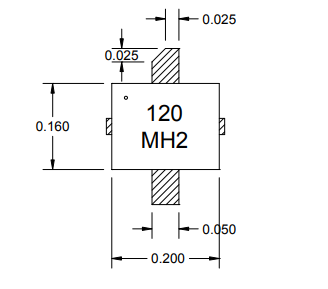
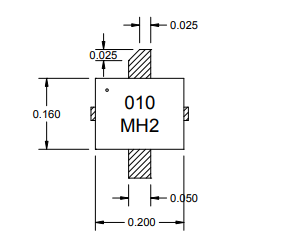
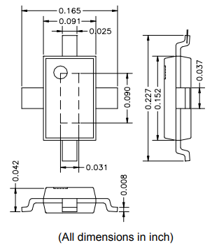
North Hills的0300BB/0301BB/0010BB/0017CC/0700BB/0303LB巴倫箱式變壓器,一般的借款用途1千赫茲- 125兆赫,由不動態失衡量電機繞線和機構抽頭動態失衡量電機繞線主成的動態失衡量環,雙軌傳達著電功率,多個目標相匹配。北山巴倫斯精密五金工業低導入和回波消耗。好的動態失衡量是使用底層等勢面的機構來滿足的。