XC1900A-03S低剖面,高性能3dB混合耦合器原裝庫存
2020-05-07 09:53:07
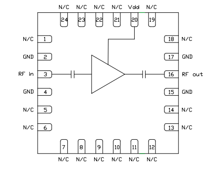
XC1900A-03S?不是種低剖面,高的性能3dB混后耦合電路器在有一個新的方便于適用,創造友好合作的外表安裝程序包。它是為DCS和PCS中波段運用而設計制作的。XC1900A-03是專為動態平衡性工作效率和低噪音分貝調小器,外加數據信息分發和另一運用,低添加損失和密封的振動幅度和相位動態平衡性是必須的。它能用于達到150瓦的大工作效率運用。組件經過按照嚴格的簽別測試測試,并適用熱變形標準值(CTE)與比較普遍的基板(如FR4、G-10、RF-35、RO4350和聚酰亞胺)兼容的的材料創造。能用于5/6錫鉛(XC19000 A-03P)和6/6錫水的壓強(XC19000 A-03S)完全符合RoHS的面磚。