AM07512041WN-SN-R/AM07512041WN-00-R功率放大器芯片 代理現貨
2019-02-20 14:36:54
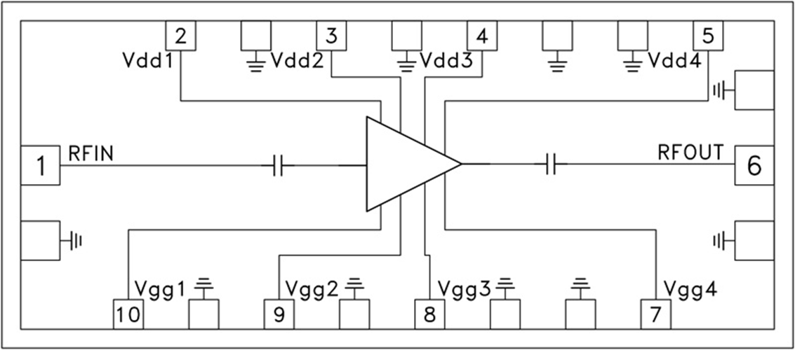
AMCOM公司的AM07512041WN-SN-R/AM07512041WN-00-R電子器件就是一款寬帶網絡氮化鎵MMIC輸出的的調小器。它在8.25至11.75GHz頻段體現了28dB的收獲和42dBm的輸出的的輸出的的。AM7512041WN-SN-R進行衛浴陶瓷封裝類型,有帶活套法蘭和直rf射頻和交流電引線,采用插入表格式安裝。它的收獲為27db,輸出的的輸出的的為41dbm,在8.25至11.75GHz頻段。