HMC6146BLC5A/HMC6146BLC5ATR無線電可變增益上變頻器 ADI現貨
2018-07-04 10:06:39
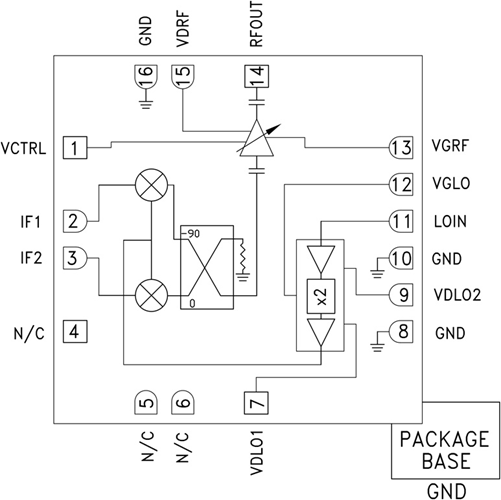
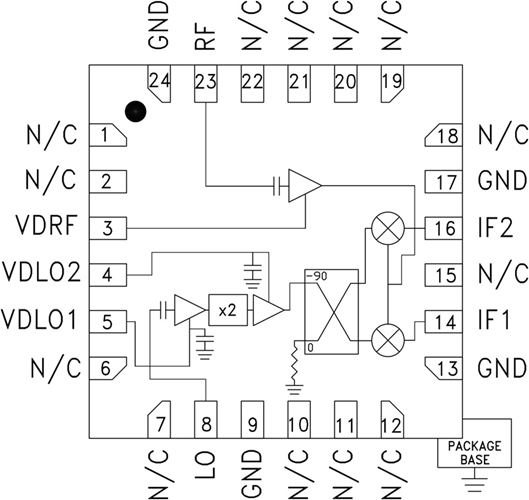
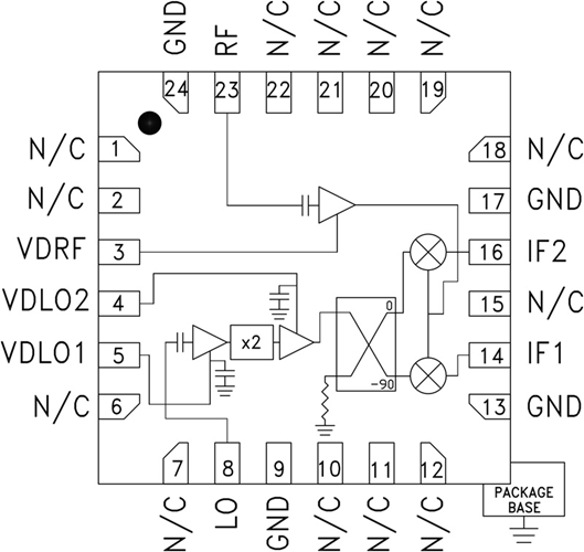
HMC6146BLC5A也是款主體工程型GaAs MMIC I/Q可變性氣門正時增益值把控好把控好把控好上變頻式器,主要進行無引腳RoHS兼容型SMT二極管封裝。 該集成電路芯片打造12 dB小4g信號轉為增益值把控好把控好把控好,體現了25 dBc邊帶抑制作用和17 db增益值把控好把控好把控好把控好。 HMC 6146BLC5A主要進行RF可變性氣門正時增益值把控好把控好把控好放縮器,